13815100188 吴先生
无锡 龙林 数控机床 4S供应商
首页
关于我们
产品中心
新闻中心
经销代理
荣誉资质
联系我们
首页
>>
产品中心
>>
液压中心架
>>
印度FAR 选型/案例
>>
印度FAR FRU3.2液压中心架安装 台湾程泰GS6000
产品中心
液压中心架
中国精龍JR 选型/案例
德国SMW 选型/案例
印度FAR 选型/案例
展会及其他图集
浙江一机机床
浙江沈工机床
广东科众机床
手动中心架定制
进口二手机床
详细说明
印度FAR FRU3.2液压中心架安装 台湾程泰GS6000
发布时间
2019.07.26
服务热线
13815100188
收藏
产品编号
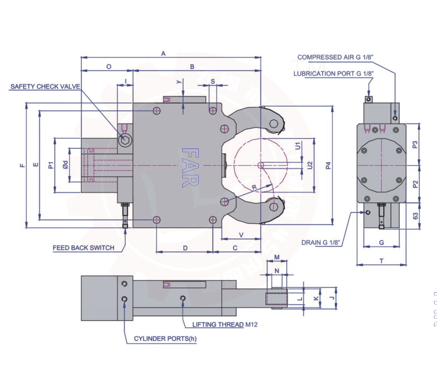
FAR-FRU3.2夹持范围φ50~200mm
产品说明
台湾程泰GS6000数控车床 安装FAR-FRU3.2液压中心架
安装完工 跳动检测0.004mm 我们追求更精密
相关产品
德国SMW-SR6 重载中心架
磨床液压中心架 JR-M2
液压中心架 安装 海天龙门加工中心
精龍液压中心架JR-CX7
液压中心架JR-CX8 φ82-365mm
中国精龙CX8 液压中心架 安装海天TC35A
精龙液压中心架CX4 安装韩国PUMA300
德国SMW K4.1液压中心架
FAR-FRUB侧置油缸选型
FAR-FRU系列选型
副导航
更多
首页
关于我们
产品中心
新闻中心
经销代理
荣誉资质
联系我们
无锡 龙林 数控机床 4S供应商
无锡龙林数控机床 4S供应商
联系邮箱:13815100188@163.com
联系地址:
无锡市新吴区纺城大道289号南方不绣钢交易中心13栋101~103
苏ICP备19035848号-1
固定电话:0510-83794888 88233669
百度:www.wxllsk.com
阿里:romacnc.1688.com
QQ:78610778
电话直呼
13815100188
0510-83794888
发送邮件
技术支持:
|
管理登录
×
账号登录
登录
忘记密码
立即注册
更多登录方式